W niniejszym artykule prezentuję rozważania związane z zasilaniem wzmacniaczy mocy audio. Na początek dokonam pewnego przeglądu, jak to wygląda w różnych wzmacniaczach, jakie rodzaje stabilizacji były stosowane oraz najważniejsze – jaki jest potencjał modyfikacji i skala poprawy. Zapraszam.

 

Jakość napięcia stałego

 

Jak wiemy, wszystkie układy wzmacniaczy audio, zasilane są napięciem stałym. Odbywa się to po obniżeniu przez transformator i wyprostowaniu, napięcia zmiennego, z sieci elektrycznej 230V oraz zgromadzenie ładunku w dużych kondensatorach elektrolitycznych, które wyrównują napięcie. Względna stałość tego układu, zależy od ich pojemności i pobieranego prądu, przez obciążenie czyli układy wzmacniacza i podłączone do niego kolumny. Podatne jest jednak, na wszelkie wahania napięcia sieciowego i zmiany prądu obciążenia.

 

Sygnał audio, jest napięciem zmiennym, który nie dość, że na wejściu wzmacniacza ma niskie napięcie, to jego zmiany zachodzą dość szybko i przechodząc przez kolejne stopnie wzmocnienia, generują znaczne skoki i spadki prądu pobieranego. Do tego, muzyka zawarta w sygnale napięciowym, zawiera mnóstwo różnych szczególików, i jest zdecydowanie wrażliwa, na nieidealnie stałe napięcie, zasilające układy wzmacniacza, które sygnał, po prostu degraduje. A napięcie stałe z podstawowego układu zasilającego, pozbawionego jakiekolwiek stabilizacji, jest dalekie od ideału! Dlatego, w wielu, nawet niespecjalnych jakościowo, wzmacniaczach i sprzętach audio, stosuje się różne układy stabilizacji tegoż napięcia.

 

Potencjał do modyfikacji

 

Nie jest chyba żadną tajemnicą, że udoskonalenie układu zasilania, wiąże się z poprawą jakości dźwięku odtwarzanego, przez nasze wzmacniacze. We wzmacniaczach tzw. vintage stosowano, czasami bardzo proste układy stabilizacji, ograniczające ich jakość. Zdarzają się modele, zupełnie jej pozbawione. Najbardziej wrażliwe na jakość zasilania, są wszelkie układy wzmocnienia napięciowego, wzmacniacze operacyjne, wzmacniacze różnicowe – zawarte w sekcjach przedwzmacniaczy gramofonowych, przedwzmacniaczy, buforów wejściowych, korektorów czy stopni różnicowych końcówki mocy. Nie znaczy to, że same elementy wzmocnienia prądowego są na nie odporne, jednak ich stabilizacja ze względu na panujące tam duże prądy obciążenia i wysokie napięcia (zależnie od mocy) jest praktycznie nie stosowana i trudna w realizacji, ze względu np. na konieczność przystosowania do dużej mocy, dużych strat energii i konieczności odprowadzenia ciepła.

 

Zatem jakie są możliwości poprawy jakości brzmienia naszych wzmacniaczy? Mogą być różne, zaleźnie od tego jaka jest konstrukcja układowa i czy w ogóle zastosowano przedwzmacniacz i inne stopnie, a w różnych wzmacniaczach zintegrowanych, było z tym różnie. Przyjrzymy się temu w dalszej częci na podstawie tytułowej Yamahy A-1000, ale też innych, jak Yamaha A-1020, Onkyo A-8170, Rotel Ra-980BX, JVC AX-Z1010 czy Sony TA-FE830ES. Musicie zdawać sobie jednak sprawę, że praktycznie każda istotna poprawa warunków pracy, choćby jednego wzmacniacza operacyjnego, przełoży się na poprawę jakości! Czasem zmiany mogą być naprawdę poważne, czasem nieco mniejsze, a zdarza się też, że w zasadzie jedyną możliwością poprawy w ten sposób jest ulepszenie przedwzmacniacza phono.

 

Podstawowy, prosty układ stabilizacji:

 

Na rysunku poniżej, znajduje się podstawowy układ stabilizacji napięcia, oparty o pojedynczą diodę zenera. Jest to bardzo prosty układ z wieloma wadami i nie zapewnia on odpowiedniego tłumienia tętnień, jest mocno zależny od prądu obciążenia, a sama stałość  napięcia, pozostawia wiele do życzenia. W tej wersji stosowany był w Yamaha A-1000, A-1020, AX-900 oraz modelach A-700 czy A-720 i innych.

 

 

Przyjrzyjmy się wiec budowie wzmacniacza Yamaha A-1020, gdzie w/w układ występuje i zobaczmy które części układu wzmacniacza, zasilane są z tego właśnie źródła:

 

 

A-1020 - Pełny schemat w PDF

 

Widzimy, że cała sekcja przedwzmacniacza gramofonowego, zasilana jest z tego układu. Ale gdy nie słuchacie płyt winylowych, czy warto go ulepszać? Ten model kompletnie pozbawiony jest przedwzmacniacza, a całość wzmocnienia realizuje końcówka mocy. Układ korekcji tonów, oparty na elementach pasywnych i wpięty jest w sprzężenie zwrotne samej końcówki. Tutaj więc nie ma żadnego pola do poprawy. Widzimy jednak, że wejściowy wzmacniacz różnicowy, końcówki mocy, zasilany jest też z tego źródła napięcia. I tu jest potencjał do działania! To bardzo ważna część układu i jakość dźwięku, bardzo zależy od tego stopnia, dlatego jego poprawa, da wymierne korzyści. Nieco inaczej sprawa ma się, jeśli chodzi o Yamahę A-1000, której pary różnicowe, zasilane są w podobny sposób (w szerszym zakresie), ale mamy również, przedwzmacniacz oparty o wzmacniacze operacyjne oraz układ dc servo, również na op-ampach. Wzmacniacze operacyjne, są elementami, dla których, jakość zasilania jest szalenie istotna. Tak więc, skala poprawy jakości, dla Yamahy A-1000 będzie naprawdę duża. Co więcej, uważam, że nie ma co nawet "bawić" się w podmianki op-ampów, bez wcześniejszego zadbania o dobre zasilanie dla nich. Podobne możliwości poprawy, daje Yamaha AX-900, która mimo, że nie tak złożona konstrukcyjnie jak A-1000, to zawiera prosty przedwzmacniacz i aktywny układ korekcji tonów oraz częściowo stabilizowane napięcie zasilania pary różnicowej, a ma ten sam, prosty układ stabilizacji.

 

 

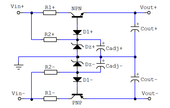
Układ stabilizacji z tranzystorami i diodą zenera:

 

Rozwinięciem układu z pojedynczą diodą zenera, jest układ z tranzystorem szeregowym, dla którego dioda zenera stanowi napięcie odniesienia, podawane na bazę tranzystora. Układ jest znacznie bardziej niezależny od obciążenia i wydajniejszy prądowo. Zastosowanie kondensatora CADJ , równolegle do diody zenera, mocno poprawia parametry stabilizacji. W praktyce można spotkać też, równolegle z diodą zenera, mały kondensator stały, rzędu 100nF, który redukuje szumy diody zenara, których w kierunku zaporowym, generuje sporo. Układ, mimo że jest znacznie lepszy, nie jest idealny. Pozbawiony jest jakiejkolwiek kontroli napięcia wyjściowego, jaką realizują układy ze sprzężeniem zwrotnym. np. scalone stabilizatory napięcia. Układ z rysunku, to dokładny układ stabilizacji z Rotela RA-980BX.

 

 

Przyjrzyjmy się więc wzmacniaczowi Rotel RA-980BX, by sprawdzić, za zasilanie których części wzmacniacza, odpowiada układ z powyższego schematu?

 

 

Rotel RA-980BX - Pełny schemat w PDF

 

Jak wdać na schemacie, wzmacniacz wyposażony jest w prosty przedwzmacniacz, na jednym wzmacniaczu operacyjnym, z aktywnym układem korekcji tonów. Niemniej jednak, ulepszenie zasilania dla tego wzmacniacza operacyjnego, przełoży się na poprawę parametrów przedwzmacniacza i układu korekcji, polepszając finalną jakość brzmienia. Tradycyjnie układ stabilizacji, zasila także, całą sekcję przedwzmacniacza gramofonowego, a więc i tu nastąpi poprawa. Z tego co kojarzę, praktycznie wszystkie integry Rotela serii RA-9.. mają podobny układ stabilizacji, i zawierają prosty przedwzmacniacz lub bufor wejściowy oparty o wzmacniacz operacyjny, więc i w niższych modelach, jest pewien potencjał w poprawie zasilania. Przy okazji warto zauważyć, Że wzmacniacz ten, za wyjątkiem wspólnego transformatora dla obu kanałów, zrealizowany jest, jako Dual Mono.

 

Innym wzmacniaczem zintegrowanym, posiadającym niemal identyczny układ stabilizacji jest np. Onkyo A-8170. Tradycyjnie, stabilizowane napięcie, wykorzystywane jest do sekcji przedwzmacniacza phono. Jednak mimo, że wzmacniacz pozbawiony jest jakiegokolwiek przedwzmacniacza, to stabilizowane napięcie, zasila też źródło prądowe dla pary różnicowej i wzmacniacze operacyjne, sekcji wejściowej i sprzężenia zwrotnego wzmacniacza, a więc również mamy możliwość poprawy walorów brzmieniowych, przez ulepszenie układu stabilizacji i poprawę warunków napięciowych.

 

 

Na koniec kilka słów na temat wzmacniacza Sony TA-F830ES. Nie będę już zaśmiecał artykułu kolejnym schematem, bo budowa tej integry, jest tak zrealizowana, że żadna sekcja końcówki mocy nie jest zasilana napięciem stabilizowanym, a wprost z głównych kondensatorów zasilacza, choć osobnych dla części niskoprądowej i części mocy. Nie posiada przedwzmacniacza, a jedynie przedwzmacniacz gramofonowy, ma stabilizację napięcia zasilania. Jednak stabilizacja ta, jest już na tyle rozbudowana, że sens jej ulepszenia jest dość znikomy, tym bardziej że sekcja phono tego wzmacniacza, nie jest czymś wybitnym.

 

W JVC AX-Z1010, to sprawa jeśli chodzi o sekcję analogową, jest identyczna jak w Sony, jednak wzmacniacz ma wbudowany DAC zbudowany na legendarnych 4x PCM56P z 18 bitowym filtrem i 8x oversamplingiem, tak więc, całkiem przyzwoity DAC o dobrych parametrach. Tutaj porządne zasilanie jest sprawą kluczową, o czym możecie poczytać na forach i różnych projektach DAC'ów, gdzie sprawa zasilania jest szeroko komentowana. W JVC odpowiada za to, ten sam prosty układ z tranzystorem i diodą zenera, a więc jest co poprawić.

 

Tytułem podsumowania powtórzę, że potencjał ulepszeń za sprawą poprawy stabilizacji napięcia może być bardzo duży, to jednak zależy od budowy konkretnego wzmacniacza. W niektórych, do ulepszenia jest bardzo dużo, a w innych praktycznie nic (wcale nie dlatego, że wzmacniacz jest tak super zbudowany). Jeśli natomiast jest taka możliwość, to zawsze warto się tym zająć.