"

      Yamaha A-1000 to wzmacniacz zintegrowany, wprowadzony na rynek w 1983 roku. Był to najwyższy model serii oferowany na rynkach poza Japonią. W samej Japonii „królem” serii była Yamaha A-2000 a sama A-1000 nosiła oznaczenie A-950 i nieco się rółniła. Różnice, pomijając wygląd  są dosyć znaczne na korzyść A-2000 jednak sama A-1000 dostępna w Europie to i tak bardzo dobry wzmacniacz.

 

Największym atutem tej jednostki jest jej konstrukcja układowa. Jest mocno rozbudowana, z przyzwoitym przedwzmacniaczem opartym o parę różnicową n-fet i dwa wzmacniacze operacyjne, identycznym (z małymi wyjątkami) z modelem A-2000. Układy korekcji tonów niskich i wysokich zostały wpięte w sprzężenie zwrotne przedwzmacniacza z możliwością całkowitego odłączenia ich zYamaha A-1000 - Przedwzmacniacz toru sygnału (Direct). Korekcja tonów niskich pozwala na wybór częstotliwości korekcji przy 125 Hz lub 500 Hz, a tonów wysokich przy 2,5 kHz lub 8 kHz. Do tego świetnie działający filtr Loudness (oczywiście odłączany), filtr subsoniczny i wysokich częstotliwości oraz funkcja Mutting, która nie wycisza dźwięku całkowicie, ale obniża go o 20 dB, dzięki czemu dostajemy świetną kontrolę głośności, kiedy słuchamy muzyki cicho. Wzmacniacz wyposażony jest również w dość rozbudowany przedwzmacniacz gramofonowy, obsługujący wkładki MM i MC i umożliwiający dopasowanie impedancji do konkretnego typu wkładki. W identycznej formie został później zastosowany w następcy – modelu A-1020, który jednak w wielu innych kwestiach nie jest już tak dobry.

 

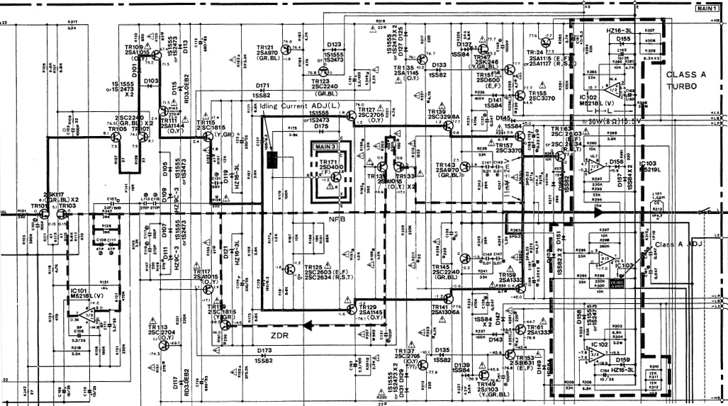
Końcówka mocy to bardzo mocna strona tej integry. Jest rozbudowana i oparta o podwójny (szeregowy) wzmacniacz różnicowy stopnia wejściowego - pełniący rolę kontroli i korekcji błędów wzmocnienia, stopień wzmocnienia napięciowego wyposażony w źródła prądowe, potrójne stopnie wzmocnienia prądowego oraz wiele dodatkowych kondensatorów filtrujących zasilanie blisko konkretnych stopni wzmocnienia, poprawiające ich warunki pracy i redukujące wpływ na nie przez inne stopnie. Ciekawostką jest, że całość mocy dostarczana jest z pojedynczej pary komplementarnej tranzystorów mocy. Jednak jest i druga para tychże tranzystorów, odpowiedzialna za sterowanie zasilaniem tego stopnia (coć jak klasa G ). W uproszczeniu, zwiększa ona napięcie kolektorów tranzystorów stopnia mocy, gdy moc przekroczy 30W.

 

A-1000 - Wzmacniacz mocy

 

Dzięki temu tranzystory te pracują przy mniejszym napięciu kolektor-emiter i moc strat jest zredukowana. Ale rolą tego układu jest także zapewnienie dodatkowego prądu z drugiej „baterii” głównych kondensatorów zasilacza, wtedy gdy jest taka potrzeba. Zapewnia to bardzo dobrą wydajność prądową końcówki mocy w szczytach sygnału. Ponadto, wzmacniacz wyposażony został w bardzo dobrze opracowany układ DC Servo, kasujący napięcie stałe na wyjściu. Dzięki temu uniknięto konieczności stosowania kondensatora w torze sygnału sprzężenia zwrotnego, co jest bardzo pożądane. Całość okraszona jest układem ZDR (Zero distortion rule) opracowanym przez Yamahę, a mającym za zadanie redukcję zniekształceń (również tych tzw. przejścia przez zero") powstałych w stopniach prądowych. Odbywa się to przez coś na zasadzie dodatkowego sprzężenia zwrotnego, gdzie para różnicowa „wyłapuje” błędy wzmocnienia sygnału w sekcji prądowej na wyjściu wzmacniacza, a sygnałem z wcześniejszego stopnia wtórników. Korekcja sygnału uzyskana jest przez odpowiedni wpływ na główne sprzężenie zwrotne.

 

Zasilanie, to kolejna mocna strona wzmacniacza. Podstawą jest potężna bateria głównych kondensatorów elektrolitycznych o pojemnościach 2 x 33000uf i 2 x 22000 uf. Kondensatory o pojemności 22000 uF dostarczają prąd do wszystkich sekcji niskoprądowych, jak preamp, phono, pary różnicowe wzmacniacza napięciowego czy wszelkie wzmacniacze operacyjne. Dodatkowo zapewniają dodatkowy prąd dla stopnia mocy przy dużych poziomach głośności. 33000 uF to bank energii dla samego stopnia wyjściowego wzmacniacza. A-1000 - Kondensatory zasilaczaDuże prądy wyjściowe nie zakłócają pracy wrażliwych na spadki napięcia i niedostatki prądu, wcześniejszych stopni wzmacniacza. Warto zauważyć, że z dokładnie 40-stu kondensatorów elektrolitycznych, aż 20 pełni rolę związaną z zasilaniem. Niestety, inżynierowie „zapomnieli” o dobrej stabilizacji napięcia dla sekcji wejściowych i niskoprądowych oraz wzmacniaczy operacyjnych. Zasilanie to oparte jest o bardzo prosty układ stabilizacji z pojedynczą diodą zenera, dający przeciętne rezultaty. Jednak warto też zauważyć, że mimo to, sprawdza się dość dobrze. W owym czasie, bardziej rozwinięte układy stabilizacji stosowane były we wzmacniaczach klasy High-end jak np. Accuphase, a dziś również nie są często stosowane, ze względu na koszty. Ulepszony układ zastosowano jednak w modelu A-2000. Ta kwestia jest zdecydowanie warta poprawy i wprowadzenie tego ulepszenia, zdecydowanie podnosi klasę brzmienia tego modelu.  

 

Na zakończenie opisu końcówki mocy warto dodać, że zbudowana jest na porządnych komponentach, jak choćby niskoszumne tranzystory 2SA970/2SC2240, 2SA1145/2SC2705, czy świetną parą tranzystorów sterujących 2SA1306/2SC3298 stosowaną przynajmniej do lat 90’tych przez innych uznanych producentów sprzętu audio. Całość jest bardzo dobrze przemyślana i wykonana. Wystarczy porównać schematy końcówki mocy z innymi wzmacniaczami tzw. najwyższymi modelami, by dostrzec, że ten wzmacniacz to zdecydowanie coś więcej niż dobra legenda vintage, a mimo skomplikowania i ilości elementów, parametry szumowe czy poziom zniekształceń stoją na bardzo wysokim poziomie do dziś. Ponadto warto zauważyć, że takie skomplikowanie znacząco podniosło koszty produkcji, gdzie już w owym czasie producenci sprzętu audio zaczęli je ograniczać, przez choćby uproszczenia układów, co niestety dopadło i Yamahę wraz z modelem A-1020/A-720, ale to już materiał na inną historię. Podsumowując, całe to skomplikowane opracowanie służyło wyłącznie uzyskaniu jak najlepszej jakości dźwięku, oferuj?ąc nieprzeciętną przyjemność ze słuchania muzyki o bardzo dobrej dynamice, poziomie detali i świetnej kontroli głośników. A wszystko to w pełnym analogu, bez żadnych cyfrowych sztuczek i za rozsądną cenę.