Witajcie w artykule poświęconym kolejnej wdrożonej modyfikacji do mojej Yamahy A-720. Tym razem po raz kolejny ulepszyłem zasilanie jednego ze stopni wzmocnienia sygnału – wzmacniacz napięciowy (VAS). Koncepcja bazuje na szerzej przedstawionej koncepcji na moim kanale, w części 6'tej -filmów dotyczących modyfikacji Yamahy A-720, oraz wcześniejszych materiałach poruszających kwestie wpływu napięć zasilających poszczególne sekcje wzmacniacza na jakość reprodukcji muzyki i działania układu.

Ogólnie, proponowane przeze mnie rozwiązanie z powodzeniem może być stosowane w większości wzmacniaczy analogowych klasy AB od tzw. Unitry po „worki monet”;-), natomiast ja dopracowałem je pod kątem Yamahy A-720/A-1020, w taki sposób, by stanowiło spójną całość i rozwinięcie poprzednich modyfikacji, oczywiście z zachowaniem oryginalnego układu wzmocnienia napięcia i pełnej funkcjonalności wzmacniacza.

Tyle tytułem wstępu i przejdźmy do konkretów czyli co, gdzie i po co?

 

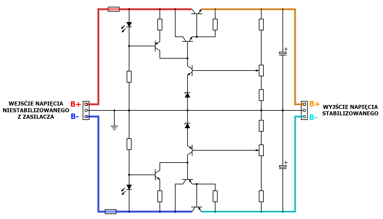
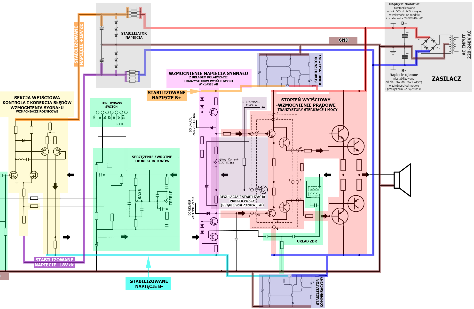
Stopień wzmocnienia napięciowego (VAS) na powyższym schemacie, oznaczony jest kolorem różowym. Zasilany jest wspólnie z jednego źródła w obu kanałach (wspólny zasilacz). Napięcie dodatnie z zasilacza, zasila źródło prądowe tego stopnia - tłoczące prąd do obwodu. W żaden sposób nie jest odseparowane od stopnia prądowego…

Napięcie ujemne w tych modelach jest ważniejsze (tzn. jego jakość), gdyż jest punktem odniesienia dla sterowanego pochłaniacza prądu w układzie kaskody  (w stopniu VAS) oraz wyjściowej gałęzi drugiego z wzmacniaczy różnicowych, którego wyjście steruje tym właśnie źródłem (w tym wypadku pochłaniaczem;-)).  

Nie jest tajemnicą, że stopień wyjściowy (prądowy) bardzo mocno wpływa na napięcie zasilające, powodując degradację precyzji wzmocnienia we wcześniejszych stopniach.

 

 

W modelach A-1020 i A-720, dla poprawy jakości napięcia zasilającego stopnie niskoprądowe, zastosowano filtr RC z kondensatorem 220uF, w sumie słabej skuteczności jeśli chodzi o samą filtrację, ale kondensator w pobliżu tych układów, jest dla nich nazwijmy to „podręcznym magazynkiem prądu” co ma duże znaczenie dla ich pracy i finalnie dla oferowanego dźwięku. Ogólnie, rozwiązanie powszechnie stosowane we wzmacniaczach przyzwoitej jakości, również w „bogatszej” wersji w postaci filtrów RLC i dużej pojemności kondensatorze jak np. w Sony serii ES:

 

 

Przy tej okazji warto wspomnieć, że w serii A-1000/A-700 zastosowano kondensatory pojemności 680uF zarówno dla ujemnej jak i dodatniej gałęzi co uwidacznia proceder „okrajania” wzmacniaczy poprzez rezygnację z ważnych elementów w celu redukcji kosztów.

   

Niezależnie, czy posiadacie wzmacniacz niższej klasy, w którym tych elementów nie zastosowano wcale, czy jak w przypadku Yamahy A-1020/A-720, zastosowano je tylko dla napięcia ujemnego z kondensatorem dość niskiej pojemności, możecie każdy z nich w nie doposażyć, polepszając jego jakość brzmienia, beż żadnego ryzyka nieprawidłowego działania.

 

STABILIZATOR NAPIĘCIA

Jeżeli z Waszego wzmacniacza chcecie uzyskać sporo więcej, możecie pokusić się o modyfikację i zastąpienie prostego filtra RC czy RLC - układem stabilizacji napięcia, znacznie poprawiającym warunki pracy układu wzmocnienia napięcia i wzmacniacza różnicowego, który zapewni napięcie naprawdę zbliżone do stałego i uniezależni je od końcówki prądowej, znacznych jego wahań i szkodliwego przenikania sygnału między stopniami wzmocnienia poprzez napięcie zasilania…

Moja koncepcja w tym zakresie, opiera się na zastosowaniu tranzystorowego układu stabilizacji napięcia z kompensacją i źródłem prądowym w celu poprawy jego parametrów, dla obu napięć zasilających. Poniżej jego schemat ogólny dla napięć symetrycznych, zbliżony do finalnej wersji jaką po testach i pomiarach zastosowałem u siebie:

 

Zdecydowałem się na stabilizator dyskretny na tranzystorach, gdyż dla uzyskania pełnego wysterowania i wysokiej mocy wyjściowej, stopień wzmocnienia napięciowego oraz przynajmniej gałąź wyjściowa wzmacniacza różnicowego – wymagają wysokich napięć zasilających. Popularne stabilizatory scalone nie są do nich przystosowane. Ponadto, przy dużej mocy wyjściowej podczas słuchania muzyki, we wzmacniaczu występuję znaczne spadki napięcia zasilającego. W sytuacji, gdy to napięcie spadnie poniżej założonego napięcia wyjściowego (z uwzględnieniem jego spadku na stabilizatorze), układ taki przestanie pracować. W moim rozwiązaniu, układ nadal zapewni zasilanie odpowiednim stopniom wzmacniacza, tyle że przestanie stabilizować napięcie wyjściowe.

Na poniższym schemacie końcówki mocy w moim opracowaniu, widać gdzie i jak, powyższy układ stabilizacji został wpięty we wzmacniacz:

ULEPSZONE ŹRÓDŁO PRĄDOWE

Drugim elementem tego pakietu modyfikacji, jest wzbogacenie źródła prądowego wzmacniacza napięciowego o tzw. kaskodę w postaci dodatkowego tranzystora,  znacznie redukując wpływ efektu Early’ego na stabilność prądu źródła. Dość szeroko temat opisałem w artykułach poświęconym źródłom i lustrom prądowym zarówno na stronie jak i na kanale youtube, stąd tylko grafika ukazująca wprowadzoną zmianę:

CECHY I ZALETY

Po wbudowaniu układu do wzmacniacza, mimo wcześniejszych znaczących modyfikacji oraz nowych kondensatorów głównych w zasilaczu, uzyskałem bardzo pozytywne efekty jeśli chodzi o jakość brzmienia.

Bez brnięcia w jakieś audiofilskie mitologie - bez trudu zauważyłem poprawę odtworzenia sceny i lokalizacji dźwięków w szerz. Muzyka zyskała też jakby trochę więcej przestrzeni…

Jedna rzecz mnie zaskoczyła jeszcze pozytywniej… Wiadomo, że dźwięki instrumentów, wokale, chórki itd. Na scenie muzycznej mają swoją lokalizację  od lewej do prawej, a zestawy stereo - lepiej lub gorzej – ale zawsze jakoś, odtwarzają położenie w tej płaszczyźnie. W świecie, który nas otacza i muzyce również, istnieje także bliżej/dalej. Głębia sceny jest określeniem, które wyraża, czy jakoś tam próbuje opisać, położenie źródeł dźwięku względem siebie wzajemnie i słuchacza w tej właśnie płaszczyźnie.

To magiczne określenie brzmi zarazem bardzo prawdziwie w realnym świecie i bardzo mitycznie w świecie audio.

Wcześniej, przy moich ograniczeniach związanych z ustawieniem kolumn i akustyki pomieszczenia, było w tym zakresie dość przeciętnie. Poczucie głębi w scenie muzycznej niestety trzeba było trochę nadrabiać wyobraźnią (lub obrazem np. słuchając koncertu). O tej wymarzonej głębi sceny tylko słyszałem i czytałem. Tak naprawdę w przeszłości, czy to na Heglu H-160, czy nawet na świetnie brzmiącym Electrocompaniet ECI-1 przy tym samym pomieszczeniu, kolumnach i przynajmniej jednym identycznym źródle – jakoś tej głębi sceny bardziej szukałem, rozmyślałem czym na serio ona jest i czy jak kiedyś ją usłyszę, to czy będę wiedział, że jest?

Skoro wspomniałem Electrocompanieta ECI-1, to powiem Wam, że ten wzmacniacz nauczył mnie, że lepsze brzmienie, to nie jest trochę więcej tego czy tamtego. Na nim poznałem pewne cechy ”lepszego” brzmienia, których wcześniej nie doświadczyłem i stał się dla mnie wyznacznikiem tego, do czego chcę dążyć rozpoczynając wtedy - remont i pierwsze pomysły modyfikacji - Yamahy A-1000, którą w końcu udało mi się zdobyć. Taki kamień milowy…

- drugą, od razu zauważalną zmianą, jest zwiększenie obfitości niskiego basu bez utraty jego kontroli i wielobarwności. Nie chodzi o to, że nagle wzmacniacz zaczął tym basem „walić” ale inaczej wypełnia przestrzeń mojego pomieszczenia i jest bardziej czytelny i energetyczny...

O co chodzi?

Otóż w pomieszczeniach długich, a wąskich - czyli tzw. „salonach” w wielu blokach z epoki ;-), jedynym sensownym ustawieniem kolumn w pomieszczeniu jest ich lokalizacja wzdłuż długiej ściany, w okolicy osi środkowej pokoju. To rodzi spore problemy natury akustycznej, szczególnie z równym wypełnieniem pomieszczania niskimi tonami w tym z tzw. dziurami i dudnieniem w zależności od miejsca w pomieszczeniu. Na ścianie przeciwnej, a raczej w pewnej od niej odległości, czyli tam gdzie najczęściej wypada miejsce odsłuchu, występują duże braki w paśmie niskotonowym . Za to w narożnikach pokoju, basu jest w nadmiarze…

Poniżej przedstawiam szkic mojego pomieszczenia w dość dokładnej skali, wraz z ustawieniem kolumn i kanapy, oraz biurka, przy którym również często słucham muzyki. Kolorem czerwonym (jego intensywnością) oznaczyłem jak rozkładają się tony niskie w moich warunkach (na podstawie mojego słuchu i chłodnej długotrwałej oceny). Niestety, w najlepszym miejscu, czyli na kanapieJ wyznaczającym środek sceny jest przeciętnie jeśli chodzi o najniższe tony.

Przybliżone, dobre natężenie tonów niskich na środku pokoju, ma miejsce blisko podłogi oraz w pozycji stojącej (na wysokości uszu siedzącego słuchacza jest nazwijmy to „dziura”). Obszar zewnętrzny wyraża natężenie tonów niskich na wysokości siedzącego słuchacza.

Zakładając, że nie stosujemy żadnych (dość kosztownych) rozwiązań wpływających na akustykę i rezonanse danego pomieszczenia w zakresie tonów niskich, możemy wpływać na ich rozkład poprzez korektę ustawienia kolumn. Przesunięcia lewo/prawo są podstawową możliwością, jednak w zależności od pomieszczenia, mogą być bardzo ograniczone (np. przez meble i funkcjonalność ustawienia) i nie przyniosą pożądanego rezultatu. Duży wpływ ma odległość kolumn od ściany. Tutaj generalnie im kolumny bliżej ściany, tym rezonanse pomieszczenia spowodują zwiększenie natężenia basu (szczególnie w przypadku kolumn bass-reflex z otworem z tyłu). Niestety, zbytnie jego „podbijanie” w ten sposób, wiąże się z pogorszeniem jego ogólnej słyszalnej jakości (dudnienie, rozmycie, słaby kontur, jednobarwność…) oraz powoduje wręcz nieznośne natężenie w narożnikach i blisko ścian pomieszczenia. Mimo wszystko warto szukać optymalnego ustawienia, bo audio to sztuka kompromisu i lepiej słuchać muzyki z basem niż bez niego;-). Oczywiście, żeby nie było za łatwo – dla dobrej sceny muzycznej, kolumny nie mogą być za blisko ściany, bo ściana powoduje niepożądane odbicia częstotliwości „szybszych i lżejszych” od basu, które odbieramy znacznie bardziej kierunkowo niż „wolny i ciężki, acz masywny” bas, co po prostu zaburza przestrzeń kreowaną przez zestaw audio. Pomocne w takich wypadkach jest tłumienie odbić od ściany, przez zastosowanie materiałów tłumiących i/lub rozpraszających za kolumnami, które dla wyższych częstotliwości są znacznie lżejsze i bardziej użytkowe…

 

Po co to wszystko piszę?

Już od pierwszych prób ze stabilizowanym zasilaniem wzmacniaczy różnicowych w mojej A-1000 (tak, te na domowo wytrawianych płytkach, pełny obaw, że znów coś spalę;-)), poprzez pierwsze wprowadzenia porządnego źródła prądowego do wzmacniacza różnicowego (wtedy tylko drugiego stopnia, bo łatwiej), poprzez dopracowanie ich, dla obu wzmacniaczy różnicowych (przypominam – w tych modelach są dwa, co wyróżnia je na tle innych konstrukcji) i w końcu - zastosowaniu lustra prądowego, będącego uzupełnieniem upgradu sekcji wejściowej - zauważyłem, że w tym moim, dość niewdzięcznym pokoju, jeśli chodzi o bas, zmienia się coś w kwestii jego intensywności w różnych miejscach pomieszczenia.

Ta modyfikacja dała mi dość wyraźną poprawę w bardziej zrównoważonym wypełnieniu pomieszczenia niskim basem. Uważam, że ustabilizowanie napięcia zasilającego wzmacniacz napięciowy i odseparowanie go od napięcia stopnia wyjściowego, mocno modulowanego prądem wyjściowym, zredukowało rozmycie wzmocnionego sygnału, spowodowanego wpływem obecności jego samego w napięciu zasilającym, co finalnie zredukowało liczbę szkodliwych odbić w samym pomieszczeniu.

Także, mimo wyraźnej dalszej poprawy jakości i brzmienia samego wzmacniacza, rozwiązanie może okazać się przydatne dla tych z Was, którzy borykają się z podobnymi problemami lokalowo/basowymi:-)

Na koniec zdjęcie ze środka z wbudowanym układem, choć jeszcze w wersji koncepcyjnej i podczas wybierania najlepszej konfiguracji, to w pełni działającej i funkcjonalnej:

 

Oczywiście za jakiś czas uzupełnię materiał o pomiary niniejszego ulepszenia, głównie oscylogramy z obserwacji szyn zasilających podczas odtwarzania sygnału...